无障碍
简体版
|
繁体版
支持IPv6
智能问答
网站首页
魅力兴安
聚焦兴安
公共服务
政府信息公开
社情民意
网上办事
27322598
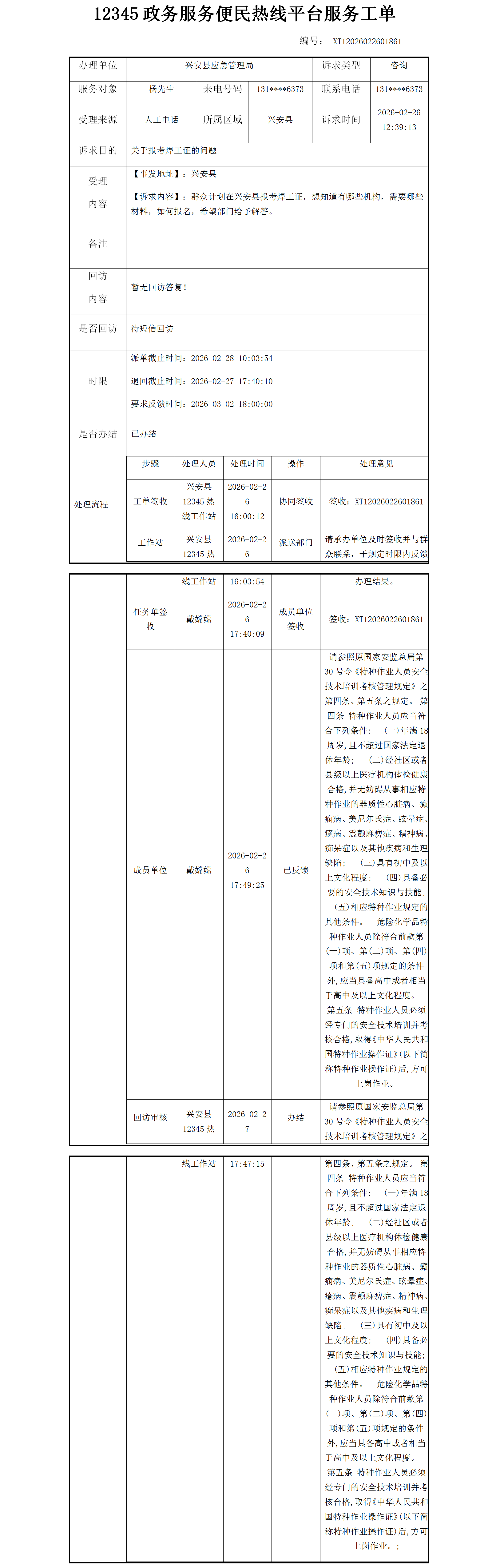
关于报考焊工证的咨询
20
兴安县应急管理局
兴安县应急管理局
2026-02-28
240670
咨询公开
当前位置:
首页
>
社情民意
>
咨询公开
关于报考焊工证的咨询
2026-02-28 10:10 来源:兴安县应急管理局 作者:兴安县应急管理局
我要收藏
公共资源调用站点
文章分享
分享
微信
头条
微博
空间
qq
【字体:
大
中
小
】
打印
文件下载:
关联文件: